Home > Hoist & Winch > High Sale Top Quality Monorail Electric Chain Hoist/
product
Electrical Chain Hoist with Radio remote control
Compact Electric Chain Hoist with Trolley
NL model electric operation chain hoist
3-Phase Dual Speed Electric Chain Hoist, Compact Electric Chain Hoist Fixed
Electrical Chain Hoist with Radio remote control
Compact Electric Chain Hoist with Trolley
NL model electric operation chain hoist
3-Phase Dual Speed Electric Chain Hoist, Compact Electric Chain Hoist Fixed

High Sale Top Quality Monorail Electric Chain Hoist/

Authentication mark:
ccc
ce
Capacity:
1t
Lifting Height:
Customized
Voltage/Hertz:
220-440V
Working Class:
A3, A4
Span:
/
Apply: Monorail Electric Chain Hoist (Model Q20102), a lightweight, durable, and precise lifting device with a capacity of 0.1–60 tons. Engineered for safety, efficiency, and easy maintenance.
Get a Free Quote

Introduction

Technical Data

Application

Features

Certificate

Inquiry

PRODUCT INTRODUCTION

The Electric Chain Hoist is a compact, efficient, and versatile lifting device widely used in industrial, commercial, and workshop environments for light to medium lifting tasks. Unlike wire rope hoists, which use steel cable, the electric chain hoist employs a specially hardened load chain that runs over a sprocket (lift wheel) driven by an electric motor. The chain falls into a chain container (bag or box) and provides smooth, precise lifting with excellent control at low speeds.

Electric chain hoists are known for their high duty cycle capability, low headroom design, and ease of installation. They are typically suspended from a fixed point (hook, trolley, or beam clamp) or mounted on a manual or motorized trolley for travel along an I‑beam or monorail. Capacities range from 0.125 tons (125 kg) to 5 tons (occasionally up to 10 tons for heavy‑duty models). Lifting heights are available from 3 meters up to 30 meters or more, with custom chain lengths.
introduction

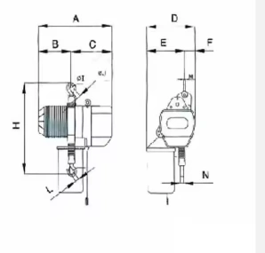
TECHNICAL DATA

parameter

APPLICATION

1. Assembly Lines & Workstations Engine & Transmission Assembly: Lifting engine blocks, cylinder heads, and transmissions onto assembly stands, with precise speed control for alignment. Electronics Assembly: Handling delicate electronic enclosures, chassis, and subassemblies with gentle, vibration‑free lifting. Parts Kitting: Lifting heavy components (brake drums, axles, pumps) from storage bins and placing them into kits for line‑side delivery.

2. Machine Tending (CNC, Lathes, Mills) Loading Raw Material: Lifting bars, plates, castings, or forgings from floor pallets onto CNC lathes, milling machines, and machining centers. Unloading Finished Parts: Removing heavy machined components from machines and placing them onto inspection tables or pallets. Tool & Fixture Changing: Lifting heavy vises, rotary tables, and tooling fixtures into position on machine beds.

3. Warehouses & Distribution Centers Pallet Handling: Lifting pallets of goods (up to 1‑2 tons) from floor storage onto carts, conveyors, or trucks in areas where forklifts cannot maneuver. Drum & IBC Lifting: Handling 200‑liter drums, IBC totes, and bulk bags for mixing, filling, or shipping. High‑Shelf Retrieval: Accessing pallets stored on racks in narrow aisles, using the hoist on a manual or motorized trolley.

4. Maintenance & Repair Shops (MRO) Engine & Transmission Removal: Lifting engines, transmissions, gearboxes, and differentials from vehicles or industrial machinery for overhaul. Pump & Motor Servicing: Handling large pumps, compressors, blowers, and electric motors on repair benches. Equipment Maintenance: Removing heavy components (rollers, shafts, drums) from production machines for servicing.

5. Metal Fabrication & Welding Shops Plate & Beam Positioning: Lifting steel plates, beams, channels, and tubes from floor stacks onto cutting tables (plasma, laser, shear) or welding positioners. Subassembly Movement: Transporting heavy fabricated subassemblies (frames, brackets, tanks) between workstations. Finished Product Handling: Lifting completed fabrications (hoppers, platforms, staircases) onto pallets or trucks.

6. Automotive Manufacturing & Assembly Press Shop Support: Lifting and feeding steel coils to uncoilers; handling stamping dies for changeovers. Body Shop Subassembly: Lifting door assemblies, fenders, hoods, and chassis components to assembly lines. Powertrain Assembly: Lifting engine blocks, cylinder heads, transmission housings, and axle assemblies with precise positioning.

FEATURES

1
Compact & Lightweight: Easy to install and move; low dead weight reduces structural requirements.
2
Load Chain: Hardened alloy steel chain with high strength and wear resistance; self‑lubricating options available.
3
Capacities: 0.125 to 5 tons (up to 10 tons for special designs).
4
Lifting Height: 3 to 30 meters (standard); longer heights available.
5
Dual Braking System: Electromechanical brake + mechanical load brake for fail‑safe holding.
6
Overload Protection: Electronic sensor or friction clutch prevents lifting beyond rated capacity.

CERTIFICATE

RELATED PRODUCTS

GET YOUR FREE ESTIMATE

Please fill in the following form. We will contact you and jointly discuss your crane issues!
SUBMIT
form
Get Quote
wechat
Wechat

Wechat:

+86 16627702870